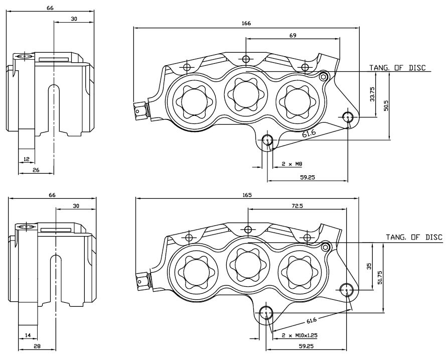
Ho controllato sui disegni tecnici della ISR, dove ho trovato le quote della stessa pinza, in versione CBR (la mia) e in versione GSXR/SV.
In alto c'è la versione CBR, in basso quella Suzuki
L'interasse fori è in effetti identico (61.6mm), ma l'attacco è spostato di 1.25mm: montando una versione CBR su una forcella SV avvicinerei il bordo interno della pinza di 1.25mm al profilo esterno del disco
Lo spessore diverso dell'attacco, che allontana di 2mm l'asse disco, può essere facilmente risolti con due rasamenti, quindi non mi preoccupa. Mi inquieta un po', invece, quel mm e 25 di interferenza.
Vabbè, inutile fasciarsi la testa prima di essersela rotta: quando il bombardone sarà in garage avrò di che pasticciarci sopra, e vedremo il da farsi
